资源下载

2021年中考物理电学材料题综合复习

2021/6/3 23:46:46 人评论 次浏览

2021年中考物理电学材料题综合复习.docx

2021年中考物理电学材料题综合复习

1.阅读短文,回答问题:

扫地机器人

如图甲所示为一款能自动清扫地面的扫地机器人。机器人通过电动机旋转产生高速气流,将灰尘、杂物吸入集尘盒;其防滑轮皮采用凸凹材质制成;底部安装有塑料刷,用于清扫吸附在地板上的灰尘及轻小物体;前端装有感应器,通过发射、接收超声波或红外线来侦测障碍物。当剩余电量减为电池容量的20%时,机器人会主动寻找充电器充电。表一为某扫地机器人的部分参数。电池容量指放电电流与放电总时间的乘积。

表一:

额定工作电压

12V

额定功率

30W

电池容量

2500mAh

工作噪音

<50dB

净重

4kg

最大集尘量

1kg

机器人中吸尘电机的吸入功率是衡量其优劣的重要参数,测得某吸尘电机的吸入功率与真空度、风量间的对应关系如表二.真空度指主机内部气压与外界的气压差.风量指单位时间内通过吸尘电机排出的空气体积.吸尘电机吸入功率与输入功率的比值叫做效率。

表二:

真空度

400

450

500

550

600

风量(

0.025

0.02

0.017

0.015

0.013

吸入功率

10

9

8.5

7.8

1)机器人工作时,主机内部的气压________(选填“大于”、“小于”或“等于”)大气压而产生吸力.若该机器人向障碍物垂直发射超声波,经过0.001s收到回波,则其发射超声波时与障碍物间的距离为________cm。(设超声波在空气中的传播速度为340m/s

2)该机器人充满电后至下一次自动充电前,能够连续正常工作的最长时间为________min

3)由表二数据可知,当风量为0.015m3/s时,吸尘电机吸入功率为________W,若吸尘电机的输入功率为25W,此时其效率为________%

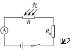
4)光敏电阻是制作灰尘传感器的常用元件.图乙为某机器人中吸尘电机内部的光敏电阻的控制电路,两端总电压U0恒定(U0<12V),RG为光敏电阻,其阻值随空气透光程度的变化而变化,R0为定值电阻.当光敏电阻分别为618时,电压表的示数分别为4.5V2.25V,则R0=________

5)若机器人1秒钟消耗的电能中有40%用于克服摩擦力做功.已知集尘盒空置时,机器人匀速运动时受到的摩擦阻力为16N,查阅资料显示摩擦力与压力成正比,则达到最大集尘量时机器人运动的速度为多少________?(写出必要计算步骤)

2.风光互补道路照明是一个新兴的新能源利用领域,它不仅能为城市照明减少对常规电的依赖,也为农村照明提供了新的解决方案。如图所示,是道路两旁的一排风光互补路灯。该系统同时安装了风力发电机和太阳能电池板。为了节能,该路灯采用LED灯照明。蓄电池充满电后不再充电,使用时放电至余留20%停止电能输出,可使蓄电池使用寿命更为长久。

下表为某型号风光互补路灯系统的部分技术参数(其中光电转化效率是指太阳能电池板将光能转化为电能的效率,最大输出功率是指风速达到最大限制风速时风力发电机的输出功率)。

太阳能电池板

风力发电机

蓄电池

LED

电池板的总面积

0.5m2

最大限制风速

12.0m/s

电池容量

150Ah

额定电压

24V

光电转化效率

20%

最大输出功率

400W

额定电压

12V

额定功率

60W

(1)风力发电机是利用______原理发电的。LED灯是利用______(选填“导体”或“绝缘体”或“半导体”)材料制成的。

(2)当太阳光照射到电池板表面处每平方米的功率为1000W时,太阳能电池板的输出功率为多少?

(3)已知风力发电机的输出功率P与风速v的三次方成正比,若风力发电机的输出功率为50W,此时风速为多少m/s

(4)充满电的蓄电池以额定电压对外供电,输出功率为100W时,为使蓄电池的使用寿命更为长久,持续供电的时间不能超过几个小时?

3.阅读下列材料,并回答问题。

复兴号”动车

如图,它是我国具有完全自主知识产权的“CR400AF”动车组,它采用了全新低阻力流线型头型,全车部署了2500余项监测点,能够对冷却系统、制动系统、运行系统全方位实时监测,列车内还设有高清摄像监控,无线WIFI,配备USB插口等。该动车部分参数见下表。(设乘客人均质量为50kg,本题g10N/kg。)

车身质量mt

360

每节车厢长lm

25

车厢数(节)

8

每节载客(人)

100

最高时速(km/h

400

1)“复兴号”动车车头采用了流线型设计是为了______,车头采用的材料应具有较大的______,提高了动车的防护能力。

2)推重比是衡量动车牵引能力的重要指标,其含义是动车匀速运行时的牵引力与车总重的比值。经检测,“复兴号”动车运行时的总阻力f与列车速度v满足f=kv2的关系,其中k=40Nm﹣2s2,若“复兴号”动车以360km/h的速度满载运行,请计算:

此时的推重比_______

动车牵引电机的效率为80%,则牵引电机每秒耗电多少焦耳_______

3)阴雨天,空气潮湿,能见度低,路面湿滑,为保证旅客上下动车时的安全,需在车门旁开启警示灯。如图乙所示是某同学为动车设计的模拟电路。

选择图甲中的______(选择“R1或“R2)湿敏电阻,将它串联在图乙电路中的______(选择“A或“B)位置,闭合开关,警示灯能随湿度变化而自动调整亮度,且不断闪烁。

已知电源电压为6V,警示灯的规格是“6V3W”,当空气湿度为80%时,闪烁的过程中,灯较暗时的实际功率是______W(电磁铁电阻忽略不计,灯泡电阻不随温度变化)。

4.阅读短文,回答问题。

超市电动搬运车

如图甲所示是超市常用的一种电动搬运车,用于超市卖场与库房间的货物运输及提升。

下表是其相关参数,其电路工作原理示意图如图乙。当闭合开关S1时,提升电动机M1工作,将货物提升到指定高度。当闭合开关S2时,进退电动机M2工作,驱动搬运车前进或后退。电源是电压为36V的蓄电池组,当电池容量低于满容量的10%时,会报警提醒,返回充电座充电。电机效率是指电动机获得的有用机械能与消耗电能的比值。(g10N/kg

型号

自重

最大载货量

蓄电池电压

蓄电池容量

提升电机

额定电压

/额定功率

进退电机

额定电压

/额定功率

电机

效率

PTE20X

0.4t

2t

36V

100Ah

36V/800W

36V/900W

80%

1)搬运车既能前进又能后退,是通过改变电动机中的_____(选填“电流方向”或“磁场方向”)来改变电动机转动方向的,搬运车在提升重物过程中主要将电能转化为_____

2)下列关于对搬运车的蓄电池的说法正确的是_____

A.蓄电池充足电一次,消耗的电能约3.6×105J

B.蓄电池组充电时,电能转化为化学能

C.蓄电池放电的过程中,蓄电池相当于用电器

D.蓄电池组是由若干节蓄电池并联组成的

3)利用搬运车将1×103kg的货物放至货架,闭合开关_____(选填“S1、“S2),货物向上匀速竖直提升15s,则消耗的电能为_____J,货物被提升了_____m

4)搬运车上有显示所载货物质量的仪表,其电路如图丙所示,电源电压24V,电流表(0~0.6A),滑动变阻器R260Ω1A),压敏电阻R1的阻值与所受压力F的关系如图丁所示,由电流表改装的“质量表”显示盘上的刻度在最_____边是最大值(选填“左”或“右”),为了确保此电路能安全工作,R2的阻值应至少调至_____Ω,若在使用过程中不小心将R2接入电路的电阻调大,那么“质量表”显示的所载货物质量比实际值偏_____(选填“大”或“小”)。

5)搬运车检测到电池容量低至10%时会报警提示返回充电。若返回过程中受到的阻力为车自重的0.3倍,剩余电池容量20%的能量可供搬运车克服阻力做功,为确保搬运车能顺利返回充电,需要充电时搬运车离充电座最远_____m

5.阅读短文,回答文后的问题。

第五代战斗机---“-20”

-20”作为中国第五代战斗机,融合了全球优秀战斗机的特点,具备了很强的隐形性能、机动性能等。“歼-20”表面平滑,机翼的外形做成流线型,它拥有良好的大仰角升力特性,较大的瞬时攻角与滚转率,并采用先进的光传操纵系统,以光信号的形式传输信号,可随时保证飞机与地面的联系。“歼-20”配备了大功率雷达,为解决散热问题,采用了新一代液体冷却系统。该飞机最大起飞质量为37t,最大飞行高度达20km,最大航行速度达2.5倍声速(合3060km/h),最大载油量为10t,飞机航行时所受阻力的大小与速度的关系见表:(已知飞机发动机的效率是40%,航空燃油的热值为5×107J/kgg10N/kg

速度v/m/s

100

200

300

400

500

阻力f/N

0.3×104

1.2×104

2.7×104

4.8×104

7.5×104

(1)“-20”飞机表面能______(选填“反射”或“吸收”)对方雷达发射的电磁波,从而实现电磁隐身。飞行携带的燃油属于______(选填“常规”或“新”)能源;

(2)下列说法中不正确的是______

A.飞机的机翼做成流线型是为了减小空气的阻力

B.为解决雷达的散热问题,采用比热容较大的液体作为冷却剂

C.飞机与地面的联系采用电磁波的形式传输信号

D.当飞机在做较大幅度的瞬时滚转时,受到平衡力的作用

(3)当飞机以400m/s的速度巡航时,飞机发动机的输出功率为______kW。若在飞机油箱中加满燃油,并且以500m/s的速度巡航时,飞机的最大航程约为______km

(4)翼载指飞机的最大起飞质量与机翼面积的比值,若该飞机的翼载为500kg/m2,则机翼面积为______m2。飞机的推重比是指飞机以最大航行速度匀速飞行时的牵引力与最大起飞重力的比值,则该“歼-20”飞机的推重比约为______

(5)飞机利用测距传感器来判断离地高度。若某测距传感器的阻值R1与离地高度h的关系如图乙所示,如图丙所示的检测电路采用了“稳流电源”(电源输出的电流恒定),要使高度表(实质是电流表或电压表)的示数能随飞行高度的增大而增大,则此高度表应安装在______(选填“1”、“2”或“3”)位置,该高度表示数刻度______(选填“均匀”或“不均匀”)。

6.阅读短文,回答问题

随着科技的发展,人们常用空气源热水器来冲凉洗澡,如图是“美的”空气源热水器。空气源热水器内有一种吸热介质——冷媒。“冷媒”作为空气源热水器热的“搬运工”,能把外界的热搬到空气源热水器的内部。液态的冷媒温度低于零下20℃,与外界存在着温差,因此,冷媒可吸收外界空气的热能,在蒸发器内部转化为气态,然后通过空气源热水器中压缩机的工作,使气态冷媒的温度升高,温度较高的冷媒通过冷凝器时从气态转化为液态,同时释放出大量的热量,被水箱中储备水吸收,使水温升高,从而达到制热水的目的。空气源热水器所消耗的电能仅是带动压缩机工作,由于大量空气中的热能进入系统,所以它得到的能量是压缩机消耗电能的3倍以上。技术参数如下表:

(1)试写出文中划线部分的两个物态变化的名称:______________________

(2)空气源热水器中水的内能增加是能量的___________(填“转移”或“转化”)。

(3)某家庭每天需要用60℃热水200kg,若水的初温是10℃,则水吸收的热量为多少焦耳?[水的比热容]

(4)该家庭使用空气源热水器提供热水,若空气源热水器得到的能量是压缩机消耗的电能的3倍,则每天需要消耗的电能是多少千瓦时?(保留小数点后一位)

(5)分析该技术参数表,可知该空气源热水器正常工作时的电流为多少?

美的空气源热水器技术参数表

名称

美的空气源热水器

型号

RSJF-32/R-A

总输入功率

880W

热水产量

60L/H

电源规格

220V-50Hz

7.阅读短文,回答问题

风光互补路灯系统

如图所示,目前很多乡村道路已经使用了风光互补路灯系统,它既可以通过太阳能电池板独立发电并储存在蓄电池内,也可以通过风力发电机独立发电并储存在蓄电池内,还可以两者同时发电并将电能储存在蓄电池内,晚上供LED路灯照明时使用。蓄电池充满电后不再充电,使用时放电至少留20%就停止电能输出,这样可延长蓄电池的寿命。某型号风光互补路灯技术参数如表。其中光电转换率是指太阳能电池板将光能转化为电能的效率;蓄电池的容量是指蓄电池放电电流与放电总时间的乘积;最大输出功率是指风速达到最大限制风速时风力发电机的输出功率。

风力发电机

太阳能电池板

最大限制风速

10m/s

电池板面积

0.5m2

最大输出功率

320W

光电转换效率

12%

蓄电池

LED 路灯

蓄电池容量

90Ah

额定电压

12V

额定电压

12V

额定功率

60W

(1)当阳光照射到电池板表面处每平方米的功率为1000W时,太阳能电池板的输出总功率为___________W

(2)已知风力发电机的输出功率P与风速v的三次方成正比,若风力发电机的输出功率为40W,此时风速为___________m/s。风能属于___________(选填“常规”或“新”)能源。

(3)充满电的蓄电池以额定电压对LED路灯供电,为使蓄电池的使用寿命更长,持续供电时间不能超过___________h,该LED路灯正常发光时的电流为___________A,和普通白炽灯相比,可节能80%,则LED路灯与___________W的白炽灯亮度相当。

(4)如图示电路中,若蓄电池能始终提供大小恒定的电流,为恒流源。R0为定值电阻,移动滑动变阻器R的滑片,则下列表示电压表示数U、电路总功率P随电流表示数I变化的关系图线中,可能正确的是(______

(5)某道路的路灯采用该风光互补路灯来照明,已知路灯共600盏,每天正常工作10h则一天消耗电能___________kWh,如果用煤发出的电对该路灯供电,已知煤电转换关系为,则一天需要煤___________kg

8.读短文,回答问题:

半导体二极管

半导体二极管主要由P型半导体、N型半导体、接线端、外壳组成,其结构及对应的电路符号如图甲所示。当一定的电流从二极管正接线端流入,二极管呈现良好的导电性,理想型二极管的电阻可视为零;当电流从负接线端流入,二极管呈现高电阻特性,理想型二极管电阻可视为无穷大。

如图乙所示,半导体二极管的工作原理是N型半导体内含有容易形成电流的自由电子,而P型半导体内虽然没有自由电子,但含有可让电子停留和经过的位置(空穴)。未接通电路时,最靠近半导体交界面处的电子向P区扩散占据空穴,使P区交界面处带负电,N区一侧带正电,由于电荷间存在相互作用力,交界面处将阻碍电子继续扩散。半导体与电源相连后,电源负极将发出大量电子聚集在与之相连的一端,电压增大到一定值且电子移动方向与电子扩散方向相同时,电子将突破交界面处的阻碍使电路形成通路;反之,半导体呈现的电阻很大。根据用途不同,可以分为发光二极管、开关二极管等。

1)半导体二极管接线端由______(选填“导体”、“半导体”或“绝缘体”)材料制成。为使电子移动方向与电子扩散方向相同,电源负极连接的是二极管的_______型半导体(选填“P”或“N”)。

2)关于半导体二极管,下列说法正确的是________

A.如果是理想型二极管,它的电阻一定无穷大

B.当二极管正接线端接电源正极时,不一定会形成通路

C.通路时,电子移动方向由电源到P型半导体再到N型半导体

D.未接通电路时,N区的电子不会占据P区空穴

3)如图丙所示,电路中的半导体二极管为理想型,定值电阻R阻值为12Ω,闭合开关,R消耗的功率为3W,此时灯泡L_______(选填“发光”或“不发光”);现将二极管正、负极对调再接入电路的相同位置,此时通过R的电流是0.3A,则灯泡电阻RL=_______Ω(设RL不随温度变化)。

4)理想型开关二极管输出信号值Uk=1时,电路通路;输出信号值Uk=0时,电路断路。如图丁所示,将两个理想型开关二极管接在某电路中,ab两点信号值随时间的变化关系如图中戊、己所示,则“0.03s0.04s”电路c处是_____(选填“通路”或“断路”),00.08sc处的通路时间为______s



5)小明将标有“220V200W”字样的电热取暖器接入家庭电路中,发现开关调至“1”位置,电热丝不亮;开关调至“2”位置时,电热丝暗红;开关调至“3”位置时,电热丝工作正常。他拆开取暖器,发现只有一根电阻丝并且完整地接在电路中,开关内部接有一个(4)中图己所述的开关二极管,则二极管接在______(选填“1”、“2”或“3”)位置,当开关调至该位置时取暖器10s内消耗的电能是_______J

9.电动汽车是未来汽车的一种发展方向,由于受电池技术的限制,混合动力汽车是一种较好的过渡产品。某油电混合动力汽车相关信息如甲图,工作原理如图乙所示,当需要高速行驶或蓄电池电能过低时,内燃机就会启动,既可以向车轮输送能量,又可以给蓄电池充电,电动汽车所受阻力与车速的关系如图丙所示,在某次测试中,测试前蓄电池已储存的电能为,测试中全部由内燃机提供能量,汽车以的速度水平匀速行驶了,同时蓄电池的电能增加了25%,求:

驱动模式

纯电动

启动、低速

油电混动

中速

纯燃油

高速

汽车质量

(1)当该汽车制动刹车时,驱动电机会反转变为发电机给蓄电池充电,发电机的原理是___________,产生的电能是由汽车的___________能转化而来的。

(2)在该次测试中,所用燃料的热值为,测试过程中消耗燃料,燃料完全燃烧释放的热量是___________J

(3)在该次测试中,汽车牵引力做的功是___________J

(4)在该次测试中,内燃机的效率是___________?(忽略蓄电池和驱动电机的热损失)

10.主动式空气净化器。净化器的工作原理为:机器内的马达带动风扇使室内空气循环流动,污染的空气,通过机内的空气过滤网后将各种污染物吸附。主动式空气净化器还会在出风口加装负离子发生器,将空气不断电离,产生大量负离子,被微风扇送出,形成负离子气流,达到清洁、净化空气的目的。下表为某型号的主动式空气净化器的参数。CADR是反映其净化能力的性能指标,CADR值越大,其净化效率越高。利用CADR值,可以评估其在运行一定时间后,去除室内空气污染物的效果。可按下列公式计算CADR=,(V:房间容积;t:空气净化器使房间污染物的浓度下降90%运行的时间)能效比是空气净化器洁净空气体积与输入功率之比;净化效率等于净化前后空气中有害气体浓度的差与净化前有害气体浓度的百分比。

额定功率

60W

CADR

600m3/h

声强范围

34~64dB

模式

睡眠

静音

强劲

净化效率

>90%

能效比

11

工作挡位

待机

1

2

3

4

5

6

功率(W

0.9

23

44

75

103

123

148

净化空气量(m3/h

120

240

360

500

610

760

噪音(dB/声压级

23

32

39

47

49

55

1)空气净化器工作时,以机内的过滤网为参照物,空气中的污染物的运动状态是______。颗粒物接近带有负电荷的金属网时受到强烈的吸引力,这主要是因为______

2)如果室内面积为50m2,房间的高度为3m,则该空气净化器理论上使房间污染物的浓度下降90%需要消耗电能______kW·h

3)下列说法错误的是______

A.进风口流速大,气流外侧的颗粒物也被吸入净化器

B.输入净化器中的功率越大,消耗的电能越多

C.净化器工作时发出的声音不会对人的听力造成损伤

D.净化器的能效比越大,说明该净化器CADR值越大,越节能

E.气流外侧的颗粒物也被吸入净化器,是因为气流处流速大压强小的缘故

F.机器内的马达工作时将电能主要转化成了机械能

4)该空气净化器工作挡位为3挡时,出风口的面积为0.25m2,则风速为______m/s

5)单独使用该净化器10min,规格为2400imp/kW·h)的电能表指示灯闪烁30次,则该空气净化器在______挡位工作,此时该空气净化器的能效比为______m3/h·W);

6)利用气敏电阻可以检测空气质量,如图乙所示为检测电路,定值电阻R0=10Ω,电源电压恒为28V;如图丙所示为气敏电阻阻值随空气中有害气体浓度β的变化曲线。现用此电路检测该型号净化器的净化效率:净化器启动前,检测电路中电流表的示数为0.7A,此时空气中有害气体浓度是______μg/m3,净化器正常使用30min后,检测电路的电流变为0.1A,则该空气净化器的实际净化效率为______%

11.阅读以下文字和图表后,回答问题:

无人机”多功能飞行器

无人机”多功能飞行器在拍摄调查、无人配送等方面具有广阔的前景。如图甲为某品牌“无人机”,质量(含摄像机)为。“无人机”由锂电池供电,采用4个相同的电动机带动旋翼转动,对下方空气施力的同时每个旋翼获得相同的升力。为了保证“无人机”正常工作,每个电动机连接一个电子调速器(简称电调)来控制电动机的电流,从而改变电动机的功率。“无人机”上升时受到的空气阻力与上升速度的平方成正比。该“无人机”能以最大的速度上升,此时受到的空气阻力为。“无人机”携带摄像机参与火情勘测时,一般以恒定的速度从地面匀速竖直升至某一高处,然后悬停观测(整个过程四个电动机同时工作)。该“无人机”携带的微型摄像机有自动拍摄功能,未出现火情时待机;若有火情,摄像机感知一定强度的红外线而自动启动,进入工作状态。其原理如图乙“自启系统”,该系统由“自启电路”、“控制电路”等组成,其电源电压恒为12VR为电阻箱,是红外探测器(可视为可变电阻)它的阻值与红外线强度变化的关系如图下表所示(E为红外线强度,表示其单位)。

1.0

2.0

3.0

4.0

6.0

18

9

6

4.5

3

(1)“无人机”使用的是___________(直流/交流)电源,电动机与电调的连接方式是___________(并联串联)。

(2)当“无人机”携带摄像机悬停在空中进行地面图像拍摄时,下列说法正确的是___________

A.“无人机”获得升力的施力物体是旋翼   B.“无人机”每个旋翼获得的升力是

C.“无人机”增加悬停高度可以扩大拍摄视野范围   D.“无人机”悬停观测时不要消耗能量

(3)“无人机”在参与某次火情的勘测时,它以的速度从地面匀速竖直上升至50米高处,然后悬停。“无人机”上升过程中,受到的空气阻力为___________

(4)在“自启系统”中,两端的电压必须大于或等于时,控制电路能启动摄像机进入工作状态。若设定红外线强度为时启动摄像机工作,则电阻箱的阻值至少应调到___________

(5)在“自启系统”中,为了使控制电路在红外线强度较弱时,就能启动摄像机进入工作状态,可采取的措施:___________。(任一措施合理即可)

12.阅读下列短文,回答问题。

热敏电阻是用半导体材料制成的电阻,其阻值随温度的变化而变化。阻值随温度升高而变小的,称为负温度系数热敏电阻;阻值随温度升高而变大的,称为正温度系数热敏电阻,利用热敏电阻的特性做成的温度计,叫做热敏电阻温度计。图乙为某热敏电阻R1的阻值随温度t变化的图像。图丙是用R1作热敏电阻温度计的电路图,R2为定值电阻,阻值为100Ω,电源电压可调节变化。该电路的工作原理是:当保持通过R1的电流不变时,R1两端的电压随电阻均匀变化(即随温度均匀变化),故只需将电压表V1的表盘的刻度改成相应的温度刻度,就可以直接从V1表盘上读出温度值。测量时,将R1放入待测温度处,闭合开关,调节电源电压,使V2表的示数保持0.2V不变(即电路中的电流保持2mA不变),再从V1表盘上读出待测温度t

(1)热敏电阻R1________(选填“正”或“负”)温度系数热敏电阻。在标准大气压下,将R1放入冰水混合物中时,R1的阻值是________Ω

(2)测温时,保持R2两端电压为0.20VR1两端的电压随温度升高而________(选填“变大”“变小”或“不变”);

(3)某次测温时,V1表盘上显示的温度是15℃,此时电源电压为______V

(4)若电源电压可在0.6~1.2V之间调节,该热敏电阻温度计的测温范围为________℃

13.阅读短文,回答问题:

电子秤

电子秤所使用的测力装置是力传感器。常见的一种力传感器由弹簧钢和应变片组成,其结构示意图如图甲所示。弹簧钢右端固定,在其上、下表面各贴一个相同的应变片。若在弹簧钢的自由端施加向下的作用力F,则弹簧钢发生弯曲,上应变片被拉伸,下应变片被压缩。力越大,弹簧钢的弯曲程度越大。

应变片结构如图乙所示,其中金属电阻丝的阻值对长度变化很敏感。给上、下金属电阻丝提供相等且大小不变的电流,上应变片两引线间电压为U1,下应变片两引线间电压为U2,传感器把这两个电压的差值UUU1U2)输出,用来反映力F的大小。

金属电阻丝的阻值随温度会发生变化,其变化情况如图丙所示。为消除气温变化对测量精度的影响,需分别在上、下应变片金属电阻丝与引线之间串联一只合适的电阻,进行温度补偿。串联合适的电阻后,测量结果不再受温度影响。

(1)这种力传感器是将力的大小转换为______(电阻/电流/电压)的装置。

(2)在电子秤的量程范围内,请在下图中画出传感器输出的电压U与外力F关系的大致图像______

(3)外力F增大时,下应变片金属电阻丝电阻将______

(4)进行温度补偿时,需分别在上、下应变片金属电阻丝与引线之间串联一只合适的电阻,根据分析可知,应给下金属电阻丝串联阻值随温度升高而______的电阻。

(5)下列是上应变片间电压U1与所称量物体质量m之间的关系图像,正确的是(______)。

14.阅读短文,回答问题。

海洋温差发电

海洋温差发电是利用海水的浅层与深层的温度不同,由涡轮机来驱动发电机工作的新型发电方式。海洋温差发电系统中,热能来源于海洋表面的温海水,利用温海水将循环系统中蒸发器内的低沸点流体蒸发产生蒸气,由蒸气去推动涡轮机发电,发电后的蒸气,可用温度较低的冷海水冷却,将之变回流体,利用泵将流体送回海洋表面,构成一个循环。当浅层海水与深层海水的温差在以上时,发电系统产生的电能大于消耗的电能,即产生净电力。题图是某海洋温差发电系统的原理图,其发电机的部分参数如下表。

额定发电总功率

额定发电总电压

线圈电阻

(1)某海域浅层和深层海水的温度分别为,利用该海域的浅层和深层海水温差发电___________(选填“能”或“不能”)产生净电力;

(2)图示发电系统工作过程中,蒸发器中的工作物质通过___________(选填“做功”或“热传递”)方式增大内能;涡轮机中的蒸气对涡轮机做功时,蒸气的内能___________(选填“增大”或“减小”);

(3)该发电机正常工作时的电流为___________,工作产生的总电能相当于完全燃烧___________的煤放出的热量(煤的热值)。在内线圈产生的热量为___________

15.某一空气净化器工作过程如图1所示:空气进入净化器,空气里的灰尘由于钨丝放电而带上正电,经过负电格栅板时被吸附;此后经活性炭进一步净化。

(1)我们看到空气中尘土飞扬的现象______(填:“不属于”、“属于”)扩散现象,空气净化器负电格栅板吸附灰尘的原理是利用异种电荷相互______

铭牌规格

额定电压

频率

额定功率

洁净空气量(CADR

KJFB2000

220V

50Hz

100W

200m3/h

(2)该空气净化器(铭牌如表)正常工作电流为_____A。(保留两位小数)

(3)该空气净化器消耗1.1kW·h的电能,此时净化器工作了_______h,可以净化_______m3空气。

(4)如图2是这一空气净化器中二氧化碳浓度检测仪的电路原理图。电源电压保持6V不变;R0为定值电阻,阻值为10ΩR1为二氧化碳浓度传感器,其阻值随二氧化碳浓度变化如图3所示。由图3可知当二氧化碳浓度为0.032%时,R1的阻值是______Ω,当二氧化碳浓度为______时,电压表示数恰好为2V

16.阅读下列短文,回答问题

3D打印笔中装入塑料条,接通电源,等待一段时间后即可挤出热熔的塑料,塑料在空气中迅速冷却变成特定的形态(如图甲)。其内部电路如图乙,R1R2是相同的PTC发热电阻。单个PTC的电阻与温度的关系如图丙。

PTC是一种新型的半导体陶瓷材料,它以钛酸钡为主,渗入多种物质后加工而成。目前家用的陶瓷暖风器、陶瓷电热水壶等就是用这种材料做成的。

PTC有一个根据需要设定的温度,低于这个温度时,其电阻随温度的升高而减小,高于这个温度时,电阻值则随温度的升高而增大,我们把这个设定的温度叫“居里点温度”,用PTC材料制成的电热器具有发热、控温双重功能,应用十分广泛。

(1)打印笔工作时,PTC电阻发热,塑料受热会逐渐变软变稀。可见,塑料________(选填“是”或“不是”)晶体;

(2)打印笔工作有快、慢两档,快档打印时,图中开关S1应处于_______状态,若此时温度为250℃,打印笔的电功率是______

(3)打印笔正常工作时的温度能自动稳定在250℃左右,结合图丙信息,说明理由__________

(4)家用固体电热灭蚊器也是使用PTC陶瓷电热元件,图丁为其电阻随温度变化的图像,由图可知,该PTC材料的居里点温度为________℃

(5)家用固体电热灭蚊器工作时的温度基本恒定在165℃左右,若它的温度高于165℃,电阻____,功率________,使其温度降低(以上均填变化情况),反之,也能自动调节。因此用PTC材料制成的电热器具有自动调节功能。

17.阅读《高压电线下打手机安全吗》,并回答下列问题。

高压电线下打手机安全吗?

某建筑工地的一名男子在高压线下接电话时手机突然爆炸,造成身体烧伤面积达70%。事后工友们猜测是因为靠近高压电线接电话导致了惨剧的发生。这条消息引发人们的猜想:

猜测1:可能是拿着手机的时候,靠高压线太近,导致触电。

猜测2:可能是手机的电磁波,让人头顶的空气产生电离能力,给高压电建了个“绿色通道”,导致触电。

阅读完下面的资料,你就能判断上面的猜想是否正确了。

我国《电力安全工作规程》给出了操作人员与通电高压交流线路的安全距离,高压架空线路规范《110KV500KV高压架空线路设计技术规程》则对国内高压线路架设的实际距离做出了限值要求。详见下表:

高压线电压等级

安全距离(米)

居民区导线对地最小距离(米)

边导线与建筑物之间的最小水平距离(米)

110KV

1.5

7.0

4.0

220KV

3

7.5

5.0

330KV

4

8.5

6.0

500KV

5

14

8.5

通电的高压交流线会在周围产生低频的变化电场和磁场,暴露在这个电场和磁场中的导体会感应出电压。但因为架空高压线有一定高度,人体作为一个导体,长度有限,实际感应出的电压等级往往很低,在人体能承受的安全范围内。

手机在使用的时候会向外发送无线电波。手机信号使用的无线电波频率为1GHz2GHz左右,而高压电线产生的电场和磁场的频率是50~60Hz,两者相距很大,手机的天线不具备接收高压电辐射出的能量的能力。

一般来说,电磁波的频率越高,电离作用就越强。频率很高的宇宙射线(左右或更高)对空气有很强的电离作用,左右的太阳紫外线也可以使空气电离产生臭氧。相比之下,手机无线电波的频率(1GHz~2GHz)太低了,在电离空气方面,它连个打酱油的都算不上。

(1)根据文中资料,请你判断_______

A.猜测1正确   B.猜测2正确

C.猜测都正确   D.手机爆炸与高压电线无关

(2)手机是利用_______传递信息的;

(3)安全用电的原则是,不接触低压带电体,不_______高压带电体;

(4)对于比较长、比较大的金属导体,如图所示,在经过高压电线下时会感应出较大电压而带电,请你想出比较可行的办法避免人触电:________

18.阅读短文,回答问题:

光电效应

光电效应是物理学中一个重要而神奇的现象。光照射到某些物质上,引起物质的电性质发生变化。这类光致电变的现象被人们统称为光电效应;光电效应分为:外光电效应和内光电效应,外光电效应是指被光激发产生的电子逸出物质表面的现象,只有入射光的频率高于一定值时,才能激发电子逸出物质表面;内光电效应是指被光激发所产生的电荷仍在物质内部运动,但使物质的导电能力发生变化或在物体两端产生电压的现象。

光敏电阻器是利用半导体的光电效应制成的一种电阻值随入射光的强弱而改变的电阻器;入射光强,电阻减小,入射光弱,电阻增大。光敏电阻器一般用于光的测量、光的控制和光电转换。

(1)外光电效应会从物质中激发出______

A.原子          B.质子          C.中子D.电子

(2)在可见光中,从红光到紫光,光的频率是逐渐增大的;如果绿光照射到某金属表面能产生外光电效应,则下列光照射该金属也一定能产生外光电效应是______

A.红光、紫光    B.红光、黄光     C.蓝光、紫光     D.黄光、蓝光

(3)光敏电阻是依据______(内/外)光电效应工作的;

(4)如图乙为光敏电阻的工作原理图,当光照强度发生变化时,小量程电流表的示数变化如图______

AB

CD

19.请阅读《安全电压》并回答问题.

安全电压

电击对人体的危害程度,主要取决于通过人体电流的大小和通电时间长短。电流强度越大,致命危险越大;持续时间越长,死亡的可能性越大。能引起人感觉到的最小电流值称为感知电流,交流为1mA,直流为5mA;人触电后能自己摆脱的最大电流称为摆脱电流,交流为10mA,直流为50mA;在较短的时间内危及生命的电流称为致命电流,如100mA的电流通过人体1s,可足以使人致命。在有防止触电保护装置的情况下,人体允许通过的电流一般可按30mA考虑。

根据欧姆定律可以得知流经人体电流的大小与外加电压和人体电阻有关。人体电阻除人的自身电阻外,还应附加上人体以外的衣服、鞋、裤等电阻.虽然人体电阻一般可达5000Ω,但是影响人体电阻的因素很多,除皮肤厚薄外,皮肤潮湿、多汗、有损伤、带有导电性粉尘等都会降低人体电阻。接触面积加大、接触压力增加也会降低人体电阻。接触电压增高,会击穿表皮角质层,并增加人体的机体电解,也会降低人体电阻。此外,人体电阻还随电源频率的增高而降低,所以通常流经人体电流的大小是无法事先计算出来的。因此,确定安全条件往往不采用安全电流,而是采用安全电压来进行估算。

一般情况下,人体的电阻可按1000-1500Ω考虑,最低可按800Ω计。又经实验与分析得知,人体允许通过的极限电流约为50mA,故此可依据欧姆定律计算出人体所允许的最大电压约为40V

安全电压是指不致使人直接致死或致残的电压,为了防止触电事故而由特定电源供电所采用的电压系列。国家标准《安全电压》规定我国安全电压额定值的等级为42V36V24V12V6V五个等级,应根据作业场所、操作员条件、使用方式、供电方式、线路状况等因素选用。

一般环境条件下允许持续接触的安全特低电压是36V。在行业中规定安全电压为不高于36V,持续接触安全电压为24V。特别危险环境中使用的手持电动工具应采用特低电压;有电击危险环境中使用的手持照明灯和局部照明灯应采用36V24V特低电压;金属容器内、特别潮湿处等特别危险环境中使用的手持照明灯采用特低电压;水下作业等场所应采用6V特低电压。

当电气设备采用的电压超过安全电压时,必须按规定采取防止直接接触带电体的保护措施。

请根据上述材料,回答下列问题:

(1)为什么流经人体电流的大小无法事先计算出来?______

(2)估算安全电压时,电阻应取人体电阻的______值,电流应取人体允许通过电流的______值;(选填“最大”或“最小”)

(3)家中电饭锅的额定电压是220V,为防止人体触电,该设备中采取的保护措施是______

20.阅读下面的短文,回答问题。

光敏电阻与光强

光敏电阻的阻值随光照射的强弱而改变。“光强”是表示光的强弱程度的物理量,照射光越强,光强越大,光强用符号E表示,国际单位为坎德拉(cd)。实验测得光敏电阻的阻值R与光强E之间的关系如图1所示。

(1)光敏电阻与光强的大小成__(选填“正比”或“反比”)。

(2)当光强为E1时,光敏电阻的阻值为R1;当光强为E2时,光敏电阻的阻值为R2,那么它们之间的关系式为=__(用E1E2表示)。

(3)将光敏电阻R、定值电阻R0、电流表、开关和电源连接成如图2所示的电路。闭合开关,逐渐增大光敏电阻的光照强度,那么正确的是__

A.电流表的读数增大,光敏电阻两端的电压也增大

B.电流表的读数增大,但光敏电阻两端的电压减小

C.电流表的读数减小,但光敏电阻两端的电压增大

D.电流表的读数减小,光敏电阻两端的电压也减小

(4)在图2所示电路中,电源电压为6V,当光照强度为4.5cd时,电流表的读数为0.5A,则定值电阻R0的阻值为_____Ω



答案

1.小于   17    48   8.25    33    6    0.6m/s  

2.电磁感应   半导体    100W   6m/s    14.4h    

3.减小阻力   硬度    0.1   5×107J   R2   B   0.75    

4.电流方向   机械能    B   S1   1.2×104   0.96    右   32    小   216  

5.吸收   常规    D   1.92×104kW   2.67×103km   74    0.59    3    均匀  

6.汽化   液化    转移    4.2×107J   3.9kW·h    4A  

760   5    新   14.4    5   300    D    360    144  

8.导体   N    B   不发光   8    断路   0.06    2   1000  

9.电磁感应   机械         50%    

10.运动   带电体具有吸引轻小物体的性质    0.036   B    0.4    3    4.8    2.0    95  

11.直流   串联    C   1    18    一是调高电阻箱R的电阻值;二是调高电源的电压值  

12.负   520    变小   1   2.5~40  

13.电压     变小    减小    A  

14.不能   热传递    减小    100   4.8    10000  

15.不属于   吸引    0.45   11    2200    40    0.034%  

16.不是   闭合    80W   当温度超过250℃时,电阻增大,功率减小,产热减慢,温度下降;当温度低于250 ℃时,电阻减小,功率增大,产热加快,温度上升   100    增大   减小  

17D   电磁波   靠近    在导体上连接一根地线,将电流引向大地  

18D   C    内   C  

19.影响人体电阻的因素很多   最小    最小    接地线  

20.反比     B    8  


网友评论
    暂无评论...

栏目类别